径向磁极吸盘

快速、精确的设置,用于研磨和车削工艺

  • 厚实的全金属顶板-高精度和长寿命
  • 高耐腐蚀性-抗冷却剂的损坏
  • 通过钻孔-允许通过冲洗冷却液
  • 可旋转,最高转速为3000 rpm

产品概览 - 径向磁极吸盘

快速、精确的设置,用于研磨和车削工艺

径向极适用于广泛的精密研磨和中/重型车削应用,是环形应用的最佳选择,例如检查和精密研磨。

径向磁极是环形工件进行重型车削的最佳选择。

该设计将夹具的全部磁力集中到与工件接触的点上, 确保良好的握持。

 

此吸盘上的工件不应超过极区面积的50%。

  • 简单开-关操作—可拆卸操作手柄
  • 可变夹持力——允许在完全夹紧之前调整位置
  • 防故障永磁技术

 

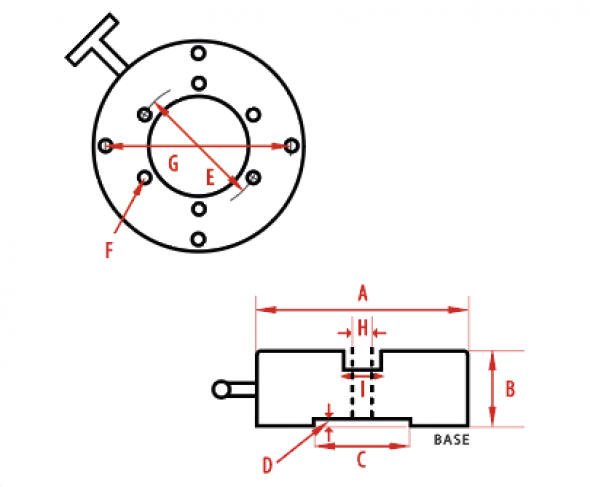
产品型号

产品型号A (mm)B (mm)C (mm)D (mm)E (mm)F (mm)G (mm)H (mm)I (mm)No. of poles
NR100C10048516N/AM676N/AN/A6
NR150C15069764N/AM10102323610
NR225C2257185.85114.3M10190.5505414
NR300C300711525184M12254626618